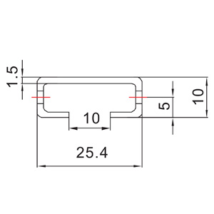
型号 | 芯体长度 | 芯体高度 | 扁管厚度 | 翅片片距 | 翅片高度 | 集流管外径 |
SC-1900 | 1274[mm] | 1358[mm] | 25.4[mm] | 1.1[mm] | 8[mm] | 38[mm] |
50.16[in] | 53.46[in] | 1[in] | 23[FPI] | 0.31[in] | 1.5[in] |
型号 | 扁管高度 | 扁管数量 | 回路 | 内部容积 | 入口内径直径 | 出口内径 |
SC-1900 | 2[mm] | 133 | 85/48 | 约9.22[L] | 22.2[mm] | 22.2[mm] |
0.08[in] | 约562.6[in3] | 7/8[in] | 7/8[in] |
边板安装
铝制微通道换热器在高温下存在热胀冷缩现象,支架安装等必须允许一定的公差范围。


性能参数
风速 | 换热性能 [KW/Btu/h×1000] | ||||||||
[m/s] | [ft/min] | R410A | R134a | ||||||
△ =10K △ =18°F |
△ =15K △ =27°F |
△ =2K △ =36°F |
△ =25K △ =45°F |
△ =10K △ =18°F |
△ =15K △ =27°F |
△ =2K △ =36°F |
△ =25K △ =45°F |
||
1 | 197 | 17.88/61.02 | 27.51/93.89 | 37.6/128.33 | 47.57/162.35 | 17.51/59.76 | 26.74/91.26 | 35.94/122.66 | 45.05/153.75 |
1.5 | 295 | 25.34/86.48 | 39.1/133.45 | 54.12/184.71 | 68.52/233.86 | 24.71/84.33 | 37.89/129.32 | 51.02/174.13 | 65.29/222.83 |
2 | 394 | 32.02/109.28 | 51/174.06 | 69.32/236.59 | 87.84/299.8 | 31.08/106.08 | 47.91/163.52 | 66.08/225.53 | 83.43/284.74 |
2.5 | 492 | 38.08/129.97 | 61.35/209.39 | 83.45/284.81 | 105.85/361.2 | 36.89/125.9 | 57/194.54 | 79.29/270.61 | 99.92/341.02 |
3 | 591 | 43.63/148.91 | 70.98/242.25 | 96.64/329.83 | 122.69/418.7 | 42.23/144.13 | 65.32/222.94 | 91.49/312.25 | 115.27/393.4 |
风速 | 换热性能 [KW/Btu/h×1000] | ||||||||
[m/s] | [ft/min] | R404A | R407C | ||||||
△ =10K △ =18°F |
△ =15K △ =27°F |
△ =2K △ =36°F |
△ =25K △ =45°F |
△ =10K △ =18°F |
△ =15K △ =27°F |
△ =2K △ =36°F |
△ =25K △ =45°F |
||
1 | 197 | 17.88/61.02 | 27.45/93.69 | 37.95/129.52 | 47.9/163.48 | 11.26/38.43 | 22.38/76.38 | 32.18/109.83 | 41.91/143.04 |
1.5 | 295 | 25.06/85.53 | 40.17/137.1 | 54.41/185.7 | 68.87/235.05 | 16.69/56.96 | 31.64/107.99 | 45.69/155.94 | 60.83/207.61 |
2 | 394 | 31.4/107.17 | 51.3/175.09 | 69.61/237.58 | 88.15/300.85 | 20.84/71.13 | 39.98/136.45 | 59.4/202.73 | 77.85/265.7 |
2.5 | 492 | 37.63/128.43 | 61.45/209.73 | 83.62/285.39 | 105.98/361.71 | 24.54/83.75 | 47.42/161.84 | 71.35/243.52 | 93.49/319.08 |
3 | 591 | 45.38/154.88 | 71.04/242.46 | 96.62/329.76 | 122.6/418.43 | 27.83/94.98 | 54.46/185.87 | 82.51/281.6 | 108.16/369.15 |
空气侧压降数据
风速 | 压降 | 风量 | |||
[m/s] | [ft/min] | [Pa] |
[inch H2O] | [m3/h] |
[cfm] |
1 | 197 | 18.8 |
0.08 | 5955.0 |
3502.9 |
1.5 | 295 | 29.7 |
0.12 | 8932.5 |
5254.4 |
2 | 394 | 46.1 |
0.19 | 11910 |
7005.9 |
2.5 | 492 | 59.8 |
0.24 | 14885 |
8755.9 |
3 | 591 | 74.2 |
0.30 | 17860 |
10505.9 |
